Contador 0 23 ascendente parte 1/2


El siguiente proyecto es un contador 0 23 ascendente en corrida libre. Hay dos partes, en la parte uno se realizará el contador haciendo uso de contadores asíncronos, y en la parte dos se realizará haciendo uso de contadores síncronos. Esta es la parte 1 y se realizarán 4 contadores, dos con flip flops D, y dos con flips JK.
Tenga en cuenta
- Al ser un contador asíncrono se usaran 6 señales de reloj diferentes, uno por cada flip flop usado.
- El circuito 555 está configurado a una frecuencia de 1 Hz, es decir que el contador se incrementa cada segundo.
- Como flip flops D se usarán los integrados CD4013 y 74HC74, y como flip flops JK se usarán los integrados CD4027 y 74HC112. Los CD40 son tecnología CMOS y los 74HC son tecnología TTL.
- Como decodificador BCD a 7 segmentos se usa el integrado CD4511, que es tecnología cmos y se usa para display de cátodo común.
- La distribución de pines en un display 7 segmentos se muestra a continuación:
Los pines del medio de arriba y de abajo están interconectados y son el común, para display de cátodo común se conectan a tierra, y para displays de ánodo común se conecta a VCC.

Descargue la simulación en proteus 7.9 de Contador 0 23 ascendente parte 1/2 aquí.
Descargue la simulación en proteus 8.3 de Contador 0 23 ascendente parte 1/2 aquí.

Contador 0 23 ascendente con flip flops CD4013
Circuito contador 0 23 ascendente con flip flop D cd4013
Funcionamiento

Contador 0 23 ascendente con flip flops 74HC74
Circuito contador 0 23 ascendente con flip flop D 74hc74
Funcionamiento

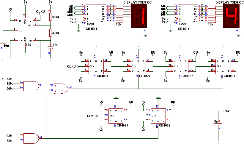
Contador 0 23 ascendente con flip flops CD4027
Circuito contador 0 23 ascendente con flip flop JK cd4027
Funcionamiento

Contador 0 23 ascendente con flip flops 74HC112
Circuito contador 0 23 ascendente con flip flop JK 74hc112
Funcionamiento


Comentarios