Diagrama de bloques - Solución por álgebra de bloques
Al igual que con álgebra se realiza el proceso de factorización con el fin de reducir una ecuación hasta su mínima expresión, así mismo en los diagramas de bloques se usa el álgebra de bloques para hallar su respectiva función de transferencia. Este álgebra de bloques se basa en las siguientes dos identidades básicas:
De las anteriores se desprenden todas las siguientes identidades:
Tenga en cuenta
De las anteriores se desprenden todas las siguientes identidades:
Tenga en cuenta
- El álgebra de bloques es un método visual para reducir un diagrama de bloques hasta su mínima expresión (función de transferencia).
- La dirección de las flechas de los conectores siempre son unidireccionales.
- El álgebra de bloques cumple con las propiedades conmutativas, asociativa y distributiva.
- Hay muchas maneras de resolver un diagrama de bloques usando el álgebra de bloques.
- Hay muchas maneras de resolver un diagrama de bloques usando el álgebra de bloques.
- El álgebra de bloques es uno de los métodos para resolver un diagrama de bloques, los otros dos métodos son ecuaciones algebraicas y formula de ganancia de Mason.
- Para entender mejor se realizaran algunos ejemplos.
Ejemplo 1. Halle la función Y/R del siguiente diagrama de bloques:
Solución. Eliminamos la realimentación del bloque G2:
La función de transferencia es la siguiente:
Solución. Eliminamos la realimentación del bloque G2:
La función de transferencia es la siguiente:
Ejemplo 2. Halle las funciones Y/R del siguiente diagrama de bloques:
Solución. Realizamos la operación G3 menos G4:
Redibujamos el diagrama de bloques:
Realizamos la suma del bloque G1 + 1 y eliminamos la realimentación del bloque [G3-G4]:
Realizamos la multiplicación de los bloques:
Finalmente la función de transferencia es la siguiente:
Solución. Realizamos la operación G3 menos G4:
Redibujamos el diagrama de bloques:
Realizamos la suma del bloque G1 + 1 y eliminamos la realimentación del bloque [G3-G4]:
Realizamos la multiplicación de los bloques:
Finalmente la función de transferencia es la siguiente:
Ejemplo 3. Halle la función Y/R del siguiente diagrama de bloques:
Solución. Se realiza la operación G1 + G2 y se realiza la operación G3 – G4:
Se elimina la realimentación del bloque [ G3 - G4 ]:
Finalmente la función de transferencia es la siguiente:
Solución. Se realiza la operación G1 + G2 y se realiza la operación G3 – G4:
Se elimina la realimentación del bloque [ G3 - G4 ]:
Finalmente la función de transferencia es la siguiente:
Ejemplo 4. Halle la función Y/R del siguiente diagrama de bloques:
Solución. Se elimina la realimentación del bloque G4:
Realizamos las multiplicaciones de los tres bloques que están en serie:
Eliminamos la realimentación del bloque G5:
Finalmente la función de transferencia es la siguiente:
Solución. Se elimina la realimentación del bloque G4:
Realizamos las multiplicaciones de los tres bloques que están en serie:
Eliminamos la realimentación del bloque G5:
Finalmente la función de transferencia es la siguiente:
Ejemplo 5. Halle la función Y/R del siguiente diagrama de bloques:
Solución. Se realiza la distribución del bloque G2:
Se realiza la multiplicación de G2 y G6 y la suma de G2 y G5:
Se realiza la multiplicación entre el bloque [ G2 + G5 ] y el bloque G3:
Se realiza la distribución del bloque [ ( G2 + G5 ) G3 ]:
Realizamos la multiplicación entre el bloque G4 y el bloque [ ( G2 + G5 ) G3 ]:
Se elimina la realimentación del bloque [ G3G4 ( G2 + G5 ) ]:
Eliminamos la realimentación del bloque [ G2G6 ]:
Se realiza la multiplicación de los bloques que están en serie:
Eliminamos la realimentación del bloque [ ( G2 + G5 ) G3 ]:
Realizamos la multiplicación de los bloques que están en serie:
Simplificamos la función:
Finalmente la función de transferencia es la siguiente:
Solución. Se realiza la distribución del bloque G2:
Se realiza la multiplicación de G2 y G6 y la suma de G2 y G5:
Se realiza la multiplicación entre el bloque [ G2 + G5 ] y el bloque G3:
Se realiza la distribución del bloque [ ( G2 + G5 ) G3 ]:
Realizamos la multiplicación entre el bloque G4 y el bloque [ ( G2 + G5 ) G3 ]:
Se elimina la realimentación del bloque [ G3G4 ( G2 + G5 ) ]:
Eliminamos la realimentación del bloque [ G2G6 ]:
Se realiza la multiplicación de los bloques que están en serie:
Eliminamos la realimentación del bloque [ ( G2 + G5 ) G3 ]:
Realizamos la multiplicación de los bloques que están en serie:
Simplificamos la función:
Finalmente la función de transferencia es la siguiente:
Ejemplo 6. Halla la función Y/R del siguiente diagrama de bloques:
Solución. Se elimina la realimentación del bloque G6:
Realizamos la multiplicación de los bloques que están en serie:
Eliminamos la realimentación del bloque G5:
Eliminamos la realimentación de bloque G7:
Realizamos la multiplicación del los bloques que están en serie:
Eliminamos la realimentación:
Finalmente la función de transferencia es la siguiente:
Solución. Se elimina la realimentación del bloque G6:
Realizamos la multiplicación de los bloques que están en serie:
Eliminamos la realimentación del bloque G5:
Eliminamos la realimentación de bloque G7:
Realizamos la multiplicación del los bloques que están en serie:
Eliminamos la realimentación:
Finalmente la función de transferencia es la siguiente:
Ejemplo 7. Halle función Y/R del siguiente diagrama de bloques:
Solución. Se distribuye el bloque G4:
Se realizan la multiplicación de los bloques G4 y Y8 y de los bloques G4 y G5:
Se distribuye el bloque [ G4G5 ]:
Se realizan la multiplicación del bloque [ G4G5 ] con el bloque G7 y del bloque [ G4G5 ] con el bloque G9:
Eliminamos la realimentación G4G5G7:
Realizamos la multiplicación de los bloques que quedaron en serie:
Eliminamos la realimentación delo bloque G4G8:
Realizamos la multiplicación de los bloques que quedaron en serie:
Eliminamos la realimentación del bloque G4G5G9:
Realizamos la multiplicación de los bloques que están en serie:
Eliminamos la realimentación:
Finalmente la función de transferencia queda de la siguiente manera:
Solución. Se distribuye el bloque G4:
Se realizan la multiplicación de los bloques G4 y Y8 y de los bloques G4 y G5:
Se distribuye el bloque [ G4G5 ]:
Se realizan la multiplicación del bloque [ G4G5 ] con el bloque G7 y del bloque [ G4G5 ] con el bloque G9:
Eliminamos la realimentación G4G5G7:
Realizamos la multiplicación de los bloques que quedaron en serie:
Eliminamos la realimentación delo bloque G4G8:
Realizamos la multiplicación de los bloques que quedaron en serie:
Eliminamos la realimentación del bloque G4G5G9:
Realizamos la multiplicación de los bloques que están en serie:
Eliminamos la realimentación:
Finalmente la función de transferencia queda de la siguiente manera:
Ejemplo 8. Halle las funciones Y/R y Y/L del siguiente diagrama de bloques:
Solución. Para poder hallar las funciones de transferencia se debe realizar superposición. Primero apagamos la señal de entrada L y hallamos Y/R:
Redibujamos el diagrama de bloques:
Eliminamos la realimentación G5 y realizamos la multiplicación de los bloques G1 y G2:
Realizamos la multiplicación de los bloques que están en serie:
Eliminamos la realimentación de G6:
La función de transferencia Y/R es la siguiente:
Ahora apagamos la señal de entrada R y hallamos el valor de la Y/L:
Redibujamos el diagrama de bloques:
Realizamos la multiplicación de los bloques que están en serie:
Solución. Para poder hallar las funciones de transferencia se debe realizar superposición. Primero apagamos la señal de entrada L y hallamos Y/R:
Redibujamos el diagrama de bloques:
Eliminamos la realimentación G5 y realizamos la multiplicación de los bloques G1 y G2:
Realizamos la multiplicación de los bloques que están en serie:
Eliminamos la realimentación de G6:
La función de transferencia Y/R es la siguiente:
Ahora apagamos la señal de entrada R y hallamos el valor de la Y/L:
Redibujamos el diagrama de bloques:
Realizamos la multiplicación de los bloques que están en serie:
Realizamos la resta de lo bloque G1G2G6 y del bloque G5:
Realizamos la multiplicación de los bloques que están en serie:
Redibujamos el diagrama de bloques para que sea más fácil de entender:
Eliminamos la realimentación:
Realizamos la multiplicación de los bloques:
Finalmente la función de transferencia es la siguiente:
Realizamos la multiplicación de los bloques que están en serie:
Redibujamos el diagrama de bloques para que sea más fácil de entender:
Eliminamos la realimentación:
Realizamos la multiplicación de los bloques:
Finalmente la función de transferencia es la siguiente:
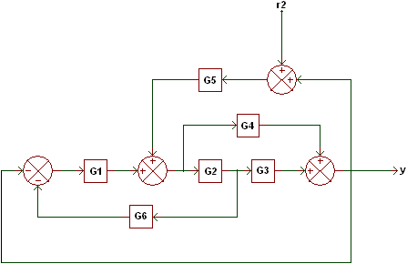
Ejemplo 9. Halla las funciones y/r1 y y/r2 del siguiente diagrama de bloques:
Solución. Para poder hallar las funciones de transferencia se debe realizar superposición. Primero apagamos la señal de entrada r2 y hallamos y/r1:
Redibujamos el diagrama de bloques:
Realizamos la distribución del bloque G2:
Realizamos la multiplicación de los bloques G2 y G3 y de los bloques G2 y G6:
Eliminamos la realimentación del bloque G4:
Realizamos la distribución del bloque [ G2G3 + G4 ]:
Realizamos la multiplicación de los bloques que quedaron en serie:
Eliminamos la realimentación del bloque [ ( G2G3 + G4 ) G5 ]:
Realizamos la multiplicación de los bloques que quedaron en serie:
Eliminamos la realimentación del bloque G2G6:
Eliminamos la realimentación del bloque [ G2G3 + G4 ]:
Realizamos la multiplicación de los bloques:
La función de transferencia y/r1 queda de la siguiente manera:
Ahora apagamos la señal de entrada r1 y hallamos el valor de la y/r2:
Redibujamos el circuito:
Se realiza la distribución del bloque G2:
Realizamos la multiplicación de los bloques que están en serie:
Realizamos la suma de los bloques G4 y G2G3:
Se realiza la distribución del bloque [ G2G3 + G4 ]:
Realizamos la suma de los bloques [ G2G6 ] y [ G2G3 + G4 ]:
Se realiza la multiplicación de los bloques que están en serie:
Se redibuja el diagrama de bloques para que sea más fácil de entender:
Se elimina la realimentación del bloque [ -G1 ( G2G3 + G4 + G2G6 ) ]:
Se realiza la multiplicación de los bloques que están en serie:
Se elimina la realimentación del bloque [ G2G3 + G4 ]:
Se realiza la multiplicación de los bloques que están en serie:
Finalmente la función de transferencia y/r2 es la siguiente:
Solución. Para poder hallar las funciones de transferencia se debe realizar superposición. Primero apagamos la señal de entrada r2 y hallamos y/r1:
Redibujamos el diagrama de bloques:
Realizamos la distribución del bloque G2:
Realizamos la multiplicación de los bloques G2 y G3 y de los bloques G2 y G6:
Eliminamos la realimentación del bloque G4:
Realizamos la distribución del bloque [ G2G3 + G4 ]:
Realizamos la multiplicación de los bloques que quedaron en serie:
Eliminamos la realimentación del bloque [ ( G2G3 + G4 ) G5 ]:
Realizamos la multiplicación de los bloques que quedaron en serie:
Eliminamos la realimentación del bloque G2G6:
Eliminamos la realimentación del bloque [ G2G3 + G4 ]:
Realizamos la multiplicación de los bloques:
La función de transferencia y/r1 queda de la siguiente manera:
Ahora apagamos la señal de entrada r1 y hallamos el valor de la y/r2:
Redibujamos el circuito:
Se realiza la distribución del bloque G2:
Realizamos la multiplicación de los bloques que están en serie:
Realizamos la suma de los bloques G4 y G2G3:
Se realiza la distribución del bloque [ G2G3 + G4 ]:
Realizamos la suma de los bloques [ G2G6 ] y [ G2G3 + G4 ]:
Se realiza la multiplicación de los bloques que están en serie:
Se redibuja el diagrama de bloques para que sea más fácil de entender:
Se elimina la realimentación del bloque [ -G1 ( G2G3 + G4 + G2G6 ) ]:
Se realiza la multiplicación de los bloques que están en serie:
Se elimina la realimentación del bloque [ G2G3 + G4 ]:
Se realiza la multiplicación de los bloques que están en serie:
Finalmente la función de transferencia y/r2 es la siguiente:
Temas relacionados
v
ResponderBorrarchupas?
ResponderBorrarpitocorto
ResponderBorrarhuervidio cagapijaaaaa
ResponderBorrarExcelente aporte, muchas gracias
ResponderBorrargood
ResponderBorrargood
ResponderBorrarme bica la conchita
ResponderBorrarubicacion ubi
Borrarhola
ResponderBorrarMuy buenos ejemplos
ResponderBorrar