Contador 0 59 ascendente descendente
El siguiente proyecto es un contador 0 59 ascendente descendente en corrida libre realizado con flip flops. Con un dip switch se escoge si el contador es ascendente o descendente. Se realizarán tres circuitos, uno con flip flops D, uno con flip flops JK, y uno con contadores de década integrados.
Tenga en cuenta
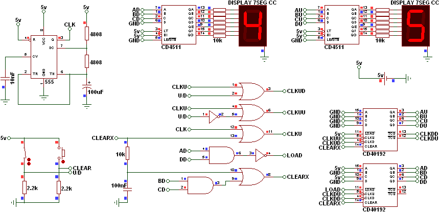
- Se usan dos señales de reloj, uno para las decenas y otro para las unidades.
- El 555 esta configurado a una frecuencia de 1 Hz, es decir que el contador cambia cada segundo.
- Si el dip switch está cerrado el contador es ascendente, y si el dip switch está abierto el contador es descendente.
- Como flip flop D se usa el circuito CD4013, como flip flop JK se usa el circuito CD4027, y como contador de década integrado se usa el CD40192. Todos son tecnología CMOS.
- El CD4511 se usa como decodificador BCD a 7 segmentos. Es tecnología CMOS y es para displays de cátodo común.
- La distribución de pines en un display 7 segmentos es la siguiente:
Los pines del medio de arriba y de abajo son los comunes y están conectados internamente. Si es un display de cátodo común se conectan a tierra, y si es un display de ánodo común se conectan a VCC.
Los pines del medio de arriba y de abajo son los comunes y están conectados internamente. Si es un display de cátodo común se conectan a tierra, y si es un display de ánodo común se conectan a VCC.
Circuito Contador 0 59 ascendente descendente con CD40192
Con el Pulsador CLEAR se pone a cero el contador. Con el dip switch U/D se escoge si el contador es ascendente o descendente, si esta cerrado es ascendente, y si esta abierto es descendente. El CD40192 es intercambiable con el integrado 74LS192, cumplen la misma función y tienen la misma distribución de pines.
Funcionamiento
Con el Pulsador CLEAR se pone a cero el contador. Con el dip switch U/D se escoge si el contador es ascendente o descendente, si esta cerrado es ascendente, y si esta abierto es descendente. El CD40192 es intercambiable con el integrado 74LS192, cumplen la misma función y tienen la misma distribución de pines.
Funcionamiento
Temas relacionados
Comentarios
Publicar un comentario