Diagrama de bloques - Solución por fórmula de ganancia de Mason
Una de las maneras mas simples y rápidas de resolver un diagrama de bloques es mediante la formula de ganancia de Mason que es un método desarrollado por el ingeniero eléctrico Samuel Jefferson Mason. Para poder realizar el método de Mason de una manera eficaz se debe convertir el diagrama de bloques en un diagrama de flujo donde los bloques se convierten en señales y los sumadores se minimizan a pequeños nodos. La formula de ganancia de Mason (función de transferencia) es la siguiente:
Donde LD hace referencia los lazos directos entre la entrada y la salida, y LC hace referencia a lazos cerrados que se presenten en el diagrama de flujo. La función de cada lazo es la multiplicación de las señales que se encuentren en dicho lazo.
Donde LD hace referencia los lazos directos entre la entrada y la salida, y LC hace referencia a lazos cerrados que se presenten en el diagrama de flujo. La función de cada lazo es la multiplicación de las señales que se encuentren en dicho lazo.
Tenga en cuenta
- Al convertir un bloque en una señal esta conserva la dirección.
- Cada segmento del diagrama de flujo debe tener una dirección, de no ser así da lugar a confusiones.
- En caso de que una señal ingrese a un sumador por el signo negativo al realizar la conversión el bloque al que está conectado la señal se convierte en una señal de signo negativo.
- A los lazos directos también se les conoce con el nombre de trayectorias directas y a los lazos cerrados también se les conoce con el nombre de trayectorias cerradas o bucles.
- La formula de ganancia de Mason es uno de los métodos para resolver un diagrama de bloques, los otros dos métodos son ecuaciones algebraicas y algebra de bloques.
- Para entender mejor se realizaran algunos ejemplos.
Ejemplo 1. Halle la función Y/R del siguiente diagrama de bloques:
Solución. Convertimos a diagrama de flujo:
Hay un lazo directo y un lazo cerrado.
La función de transferencia es la siguiente:
Solución. Convertimos a diagrama de flujo:
Hay un lazo directo y un lazo cerrado.
La función de transferencia es la siguiente:
Ejemplo 2. Halle las funciones Y/R del siguiente diagrama de bloques:
Solución. Realizamos la conversión a diagrama de flujo para que sea más fácil de analizar:
Se puede observar que hay dos lazos directos y 2 lazos cerrados (bucles):
Finalmente la función de transferencia es la siguiente:
Solución. Realizamos la conversión a diagrama de flujo para que sea más fácil de analizar:
Se puede observar que hay dos lazos directos y 2 lazos cerrados (bucles):
Finalmente la función de transferencia es la siguiente:
Ejemplo 3. Halle la función Y/R del siguiente diagrama de bloques:
Solución. Convertimos el diagrama de bloques a diagrama de flujos:
Hay dos lazos directos y cuatro lazos cerrados:
Solución. Convertimos el diagrama de bloques a diagrama de flujos:
Hay dos lazos directos y cuatro lazos cerrados:
Ejemplo 4. Halle la función Y/R del siguiente diagrama de bloques:
Solución. Se transforma el diagrama de bloques a diagrama de flujo:
Hay un lazo directo y dos bucles:
Finalmente la función de transferencia es la siguiente:
Solución. Se transforma el diagrama de bloques a diagrama de flujo:
Hay un lazo directo y dos bucles:
Finalmente la función de transferencia es la siguiente:
Ejemplo 5. Halle la función Y/R del siguiente diagrama de bloques:
Solución. Se realiza la transformación de diagrama de bloques a diagrama de flujo:
Hay 2 lazos directos y 5 lazos cerrados (Bucles).
Solución. Se realiza la transformación de diagrama de bloques a diagrama de flujo:
Hay 2 lazos directos y 5 lazos cerrados (Bucles).
Ejemplo 6. Halla la función Y/R del siguiente diagrama de bloques:
Solución. El diagrama de flujo es el siguiente:
Hay 1 lazo directo y 4 lazos cerrados.
Finalmente la función de transferencia es la siguiente:
Solución. El diagrama de flujo es el siguiente:
Hay 1 lazo directo y 4 lazos cerrados.
Finalmente la función de transferencia es la siguiente:
Ejemplo 7. Halle función Y/R del siguiente diagrama de bloques:
Solución. Cambiamos el diagrama de bloques por su respectivo diagrama de flujo:
Hay un lazo directo y 4 lazos cerrados.
Finalmente la función de transferencia queda de la siguiente manera:
Solución. Cambiamos el diagrama de bloques por su respectivo diagrama de flujo:
Hay un lazo directo y 4 lazos cerrados.
Finalmente la función de transferencia queda de la siguiente manera:
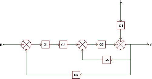
Ejemplo 8. Halle las funciones Y/R y Y/L del siguiente diagrama de bloques:
Solución. Para poder hallar las funciones de transferencia se debe realizar superposición. Primero apagamos la señal de entrada r2 y hallamos y/r1:
Redibujamos el diagrama de bloques:
Se transforma el diagrama de bloques en diagrama de flujo:
Hay un lazo directo y 2 bucles.
La función de transferencia Y/R es la siguiente:
Ahora apagamos la señal de entrada R y hallamos el valor de la Y/L:
Redibujamos el diagrama de bloques:
Transformando a diagrama de flujo se tiene el siguiente gráfico:
Se presenta un lazo directo y dos lazos cerrados:
Finalmente la función de transferencia es la siguiente:
Solución. Para poder hallar las funciones de transferencia se debe realizar superposición. Primero apagamos la señal de entrada r2 y hallamos y/r1:
Redibujamos el diagrama de bloques:
Se transforma el diagrama de bloques en diagrama de flujo:
Hay un lazo directo y 2 bucles.
La función de transferencia Y/R es la siguiente:
Ahora apagamos la señal de entrada R y hallamos el valor de la Y/L:
Redibujamos el diagrama de bloques:
Transformando a diagrama de flujo se tiene el siguiente gráfico:
Se presenta un lazo directo y dos lazos cerrados:
Finalmente la función de transferencia es la siguiente:
Ejemplo 9. Halla las funciones y/r1 y y/r2 del siguiente diagrama de bloques:
Solución. Para poder hallar las funciones de transferencia se debe realizar superposición. Primero apagamos la señal de entrada r2 y hallamos y/r1:
Redibujamos el diagrama de bloques:
Se realiza la transformación a diagrama de flujo:
Hay dos lazos directos y 5 lazos cerrados (bucles):
La función de transferencia y/r1 queda de la siguiente manera:
Ahora apagamos la señal de entrada r1 y hallamos el valor de la y/r2:
Redibujamos el circuito:
Cambiamos el diagrama de bloque a diagrama de flujo:
Hay dos lazos directos y 5 lazos cerrados (bucles):
Finalmente la función de transferencia y/r2 es la siguiente:
Solución. Para poder hallar las funciones de transferencia se debe realizar superposición. Primero apagamos la señal de entrada r2 y hallamos y/r1:
Redibujamos el diagrama de bloques:
Se realiza la transformación a diagrama de flujo:
Hay dos lazos directos y 5 lazos cerrados (bucles):
La función de transferencia y/r1 queda de la siguiente manera:
Ahora apagamos la señal de entrada r1 y hallamos el valor de la y/r2:
Redibujamos el circuito:
Cambiamos el diagrama de bloque a diagrama de flujo:
Hay dos lazos directos y 5 lazos cerrados (bucles):
Finalmente la función de transferencia y/r2 es la siguiente:
Temas relacionados
y los lazos dobles?
ResponderBorrarHola tengo una duda, porque no calculas los grafos después cuando se debe eliminar el camino directo?
ResponderBorrar