PMW variable con amplificador operacional
Tema relacionado: Disparador Schmitt inversor
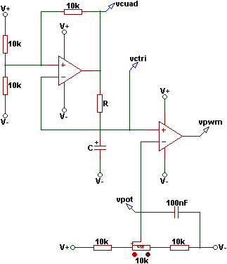
El siguiente proyecto es un PWM variable realizado con amplificador operacional. Está basado en el oscilador de relajación, y está compuesto por dos amplificadores operacionales . El circuito es el siguiente:
El primer amplificador es un oscilador de relajación, el segundo amplificador es un comparador. Con el potenciómetro se varía el ciclo útil. La ecuación de diseño es la siguiente:
Tenga en cuenta:
- Si se quiere obtener frecuencia altas, se debe trabajar con un amplificador que tenga un slew rate y ancho de banda altos, como por ejemplo el lm318 o el lf351.
- Este circuito funciona con cualquier amplificador operacional, es decir se puede usar el lm741, el lm324, el lf351, lm358, o cualquier otro indistintamente.
- El condensador C puede ser cerámico o electrolítico. En caso de ser electrolítico en el diagrama está como debe ir conectado.
- La señal de salida PWM estará entre los voltajes VOH y VOL del amplificador operacional, es decir entre los voltajes de saturación del amplificador.
- Se puede usar polarización simple o dual, valores recomendables para V+ y V- serían 12 voltios en caso de usar fuente simple, y +12v y -12v en caso de usar fuente dual.
- La funcion del condensador de 100nF que esta en paralelo al potenciómetro es eliminar (amortiguar) cualquier ruido eléctrico que se pueda presentar.
- La señal de salida PWM estará entre los voltajes VOH y VOL del amplificador operacional, es decir entre los voltajes de saturación del amplificador.
- Se puede usar polarización simple o dual, valores recomendables para V+ y V- serían 12 voltios en caso de usar fuente simple, y +12v y -12v en caso de usar fuente dual.
- La funcion del condensador de 100nF que esta en paralelo al potenciómetro es eliminar (amortiguar) cualquier ruido eléctrico que se pueda presentar.
Para entender mejor se realizarán dos ejemplos.
Ejemplo 1. Diseñe un PWM variable con una frecuencia de 300Hz. Se cuenta con una fuente de 12 voltios.
Solución. Se usará el amplificador lm324. En la ecuación despejamos R, y asumimos 100nF como valor de C:
El circuito es el siguiente:
El circuito es el siguiente:
La simulacion en proteus es la siguiente:
La línea de color verde es la señal pwm variable. La linea de color amarilla es una señal cuadrada que está en la salida del primer amplificador. Las lineas de color azul y roja son las de la señal triangular y la señal del potenciómetro que entran al amplificador comparador. Se puede ver que la frecuencia es de 300Hz.
Ejemplo 2. Diseñe un PWM variable con una frecuencia de 5kHz. Se tiene una fuente dual de 12 voltios.
Solución. Como amplificador se usará el LF353. Como valor de C se asumirá 100nf, aunque puede ser cualquier otro valor. El valor de R está dado por:
El circuito es el siguiente:
El circuito es el siguiente:
La simulacion en proteus es la siguiente:
La linea de color verde es la señal pwm variable. Se puede observar que la frecuencia es de 5 kHz.
Temas relacionados
Hola estubo de lujo viejo
ResponderBorrarexcellente contenido
ResponderBorrarLa terminales del divisor van conectadas también a la fuente o a tierra? Porque lo arme pero no me daba nada de salida
ResponderBorrarbuenísimo
ResponderBorrargracias por el contenido, me ayudo mucho
ResponderBorrar